PC88.gr.jp Forum Index PC88.gr.jp
PC88.gr.jp88VA Eternal Grafxの掲示板です。
 
 FAQFAQ   検索検索   メンバーリストメンバーリスト   ユーザーグループユーザーグループ   登録する登録する 
 プロフィールプロフィール   プライベートメッセージをチェックするプライベートメッセージをチェックする   ログインログイン 

今更ながらFDDのネタ

 
新しいトピックを投稿   トピックに返信    PC88.gr.jp Forum Index -> 88総合
前のトピックを表示 :: 次のトピックを表示  
投稿者 メッセージ
STM



登録日: 2011.02.01
記事: 7
所在地: 秋葉原にいつでも出陣できる場所w

記事日時: 2011/02/20 (Sun) 17:32     記事の件名: 今更ながらFDDのネタ 引用付きで返信

メモ書きの発掘と今回ちょっと調べた結果があるので書き込んでおきます。
どなたかのお役にたてばいいのですが・・・

PC−8801、PC−88VA共にDOS/V用3.5’FDDが使えます。
注意する点はドライブの34番READY信号です。この信号はドライブの準備完了をFDCに伝えるものでLOWアクティブです。ただDOS/V用FDDではREADY信号ではなくDISK CHANGEを出力する物が殆どです(物によってはジャンパで設定できます)。DISK CHANGE信号はディスクを抜いたときにLOWに落ちそれ以外はハイインピーダンス(HiZ)です。当然このままではPC-88シリーズには使えません。簡単な方法は34番ピンを接地(GND)します。ただしこの方法ではREADY信号は全ドライブに共通ですからどのドライブでもFDCから準備完了とみなされます。通常の使用では問題ありませんがPC−88VAのPC−Engineのようにディスクキャッシュを使用するシステムでは少し厄介です。ディスクの挿抜をシステムが認識しないため「DIR」コマンドを実行した場合、他のディスクに変えていても以前キャッシュされた内容が表示されます。ディスクを挿入していない場合も同様です。特に具合が悪いのは他のディスクの内容(FAT)がキャッシュされている状態でディスクに書き込みを行った場合、そのディスクの内容を破壊します。これを避けるためにはドライブのモーターが止まってから(MOTORーON信号がアクティブでないとき)ディスクにアクセスするか、FDCをリセットまたはディスクBIOSイニシャライズを行わないといけません。
簡単にキャッシュ内容をクリアするのであれば「CHKDSK」コマンドでスイッチなしで使用しても可能です。
READY信号をエミュレートしてしまえば問題ありませんが、私にやる気がない(ロジアナがない)のでできません。どなたかが時間を測定してくだされば作りますw。やっていることはたぶんアクセス対象のドライブのDS0(10番ピン)をアクティブ(LOW)にしたときにディスクが挿入されていればREADY信号はアクティブ(LOW)を返します。ディスクの挿抜があった場合、暫らくしてREADYをHiZにします。そしてまた暫らくしてREADYをLOWに落とします。そうするとディスクへのアクセスが始まります。
簡単に他のドライブに影響を与えないようにするにはHiZ出力のあるロジックICを使います(74HC244など)。対象ドライブのDS0をゲートに、バッファ入力をGNDに、バッファ出力をREADYに繋げばOKです。P−ChannelのMOS−FETでも大丈夫ですね(こっちの方が楽か・・・)。WEB上でDS0とGNDとのNORをREADYに出力している例もありますがFDD側からREADY信号に電流(電圧)を供給してはいけません(同じバス上でLOWとHIGHを同時に出力してしまう状態があります、最悪の場合素子を破壊します)。ドライブがREADYでないときはHiZにしなければなりません。

あと3モードドライブを使用する場合はHIGH DENSITY(2番ピン)をGNDに落とします。Sinraさんに指摘されて今頃気が付いたのですがHIGHにしてしまうと回転数が360RPMになってしまい訳の解らないフォーマットになります(3モードドライブの場合)。PC−88自体では問題なく使用できても他のシステム(例えばPC−98やDOS/V)ではアクセスできなくなります(色々工夫してみましたがIDを見つけられませんでした)。このとき当然ですがFDC側(本体側)の信号はNC(繋ぎません)です。NEC製のFD−113X(PC−98用)のようなドライブは直接繋ぎます(このドライブは2番ピンが2HD/2DD入力)。この信号本来のPC−88シリーズの用途は2DD(2D)、2HD切換えです。LOWで2DD、HIGHで2HDです。一方DOS/VではHIGHで360RPM(2Mタイプフォーマット)、LOWで300RPM(1.6Mタイプフォーマット)です。DOS/V用FDDはDD/HDの切換えはドライブ自体が自動で行います(プロテクトノッチの反対側のノッチ)。2HDディスクでもこのノッチをシール等で塞げば2DDディスク(360RPM)として使用できます。残念ながら2Dフォーマットはできませんが普通に5インチ2Dディスクをコピー(2Dフォーマット)すれば2DDの前半の半分だけのシリンダを使用してPC−88側からは3.5インチ2Dフォーマットディスクのように見えます。当然普通に問題なく使用できます。他のシステムでは前半シリンダを2DDディスクとして問題なくアクセスできます。2DD/2HDフォーマットの場合は正真正銘の正しいフォーマットとして他のシステムからアクセスができます。

DOS/V用ドライブは通常DS1に設定してありますからDS0にドライブ自信のジャンパかジャンパがないドライブではジャンパ抵抗(0Ω)を付け替えます。信号線(フラットケーブル)のDS0とDS1(12番ピン)を入れ替えても可能ですが面倒です。

上に挙げた以外の信号線はそのままドライブに繋いで大丈夫です。コネクタの1番ピン位置に注意してコネクタは挿してください。逆挿するとコネクタの偶数番号ピンは全てGNDですから本体側、ドライブを燃やす危険があります(勇気がないので実験もしたことありません)。とくにFDDはどっちでもコネクタが接続できる構造のものが多いのでコネクタの△マークを1番ピンになるように繋ぎます。ドライブの1番ピンには大抵基板のシルクに表記があります。まれにマニアックな反転フラットケーブルがありますので注意してください(奇数、偶数番号が入れ替わっているもの)。これはフラットケーブルの端の色がついている(大抵、赤とか紫が多いです)ほうがコネクタの△マークと反対側の端に繋がっているケーブルです。

なぜがPC−88のDS0〜3とMODE(2HD/2DD)ラインは共通ではないのでDOS/VやPC−98のようにパラレルにドライブを接続できません。
トップに戻る
ユーザーのプロフィールを表示 プライベートメッセージを送信
STM



登録日: 2011.02.01
記事: 7
所在地: 秋葉原にいつでも出陣できる場所w

記事日時: 2011/02/20 (Sun) 18:04     記事の件名: もしオーダーあるようでしたら・・・ 引用付きで返信

もし、FDD切換え(セレクタ)やREADYインチキ出力のスケマ必要でしたらアップしますが、未だドローしてませんので暫らくお時間をいただいても構わないようなら、コメントくだされば頑張ってw書きます。ても大した回路ではありません「いらんわーっ」て言われそうな感じです。面倒なのでアップする場合PDFになります。お決まりの文句ですが、動作に保証はありませんし、運用結果どのような被害を生じても個人の責任でお願いします。万が一被害が生じても責任は負いません。もちろん私のところでは数台のVAが同じ環境できちんと動いています。あとMAも。たぶんFAとかもいけそうですが2HDってどうなるんでしょうね?FA以降はFDDケーブルがヘロヘロで茶色の耐熱フラット(カプトンって言うんでしょうか?)でいじくるのが怖いんですよね。MBに簡単に自作ケーブル繋げられないし。VA(で対応するコネクタ型番はヒロセのHIF6−68D−1.27Rです。万力がないとフラットを圧着するのが結構厳しいです。私はちびっちょマイナスドライバーでフラットを1本づつ押入れていきますが、流石にこのコネクターにこの方法ではもうやりたくありません。作成した当時に殺意を覚えたのを今でも覚えていますから。普通のフラット34、40ピンやSCSIの50ピンフラットならドライバーで余裕ですけど)やFH/MHの頃までの普通のフラットだったらやりやすいんですけどね。
トップに戻る
ユーザーのプロフィールを表示 プライベートメッセージを送信
kaz



登録日: 2008.02.10
記事: 15

記事日時: 2011/05/02 (Mon) 13:16     記事の件名: VA延命に備えて 引用付きで返信

STMさん、有用な情報ありがとうございました。
(超遅レスご容赦ください)

うちのVAもFDDが壊れそうで、いつかは3.5"に交換しておきたいと思っていました。
ただ、FDDなどの工作は慣れていないので、信号線の区別の仕方等、
参考の情報をアップしていただけますと幸いです。

今のところ、VAと周りのPCとのデータやり取りは5”FDが頼りですが
どちらかが壊れると、厄介なことになりそうです。
あ、SCSI-HDDを繋ぎ替える手は有りますね。98でフォーマット(領域確保)
しておけば、双方で読み書きできることまでは確認済みです。

延命といえば、HDDですが、
外付けのSASI-HDDも2台あったうちの1台はスピンアップしなくなり、
残り1台が虎の子状態です。軸が固着しないよう、たまに起動して潤滑させてます。
考えてみれば、このHDDが手持ちの機器の中で最古参だったりします。
トップに戻る
ユーザーのプロフィールを表示 プライベートメッセージを送信
STM



登録日: 2011.02.01
記事: 7
所在地: 秋葉原にいつでも出陣できる場所w

記事日時: 2011/05/15 (Sun) 07:20     記事の件名: 引用付きで返信

今長期の出張に出ていますのでアップは早くても7月になりそうです。
FDDの信号線ですがエッジ側一本が色が違う線があると思いますがそれが1番ピンになります。
その隣りが2番ピンでというように34番ピンまであります。NECのFDD(FD113x)を使用する場合はそのままストレートに繋いでしまえばOKです。FDDドライブ側の1版ピンは基板上に「1」か「▲」マークのシルクが書いてあるのが殆んどでそれが1番ピンになります。その横隣りが3番ピン、1番ピンの縦隣りが2番ピンになります。イメージでは
1 3 5 7 9 ・・・ 31 33
2 4 6 8 10・・・ 32 34
というような並びになっています(5' 3.5'ともに同じ並びです)
またケーブルのコネクタには大抵「▲」のマーキングがあります。

ちょっとわかりずらい説明ですみませんが参考になれば幸です。
トップに戻る
ユーザーのプロフィールを表示 プライベートメッセージを送信
kaz



登録日: 2008.02.10
記事: 15

記事日時: 2011/05/15 (Sun) 12:46     記事の件名: ありがとうございます 引用付きで返信

NECのFDDならそのままなんですね、探してみます。

入手性上(というか手元に転がっている)できれば、
AT互換機用のドライブを何とか改造で接続してみたいので勉強してみます。
トップに戻る
ユーザーのプロフィールを表示 プライベートメッセージを送信
かかっくん



登録日: 2012.12.28
記事: 3

記事日時: 2012/12/28 (Fri) 03:30     記事の件名: Ready信号を... 引用付きで返信

どうも初めまして。

Ready信号ですが、FDC側からの信号だけで生成するインチキ信号ではなくFDC/FDD
双方の信号から生成する回路を考案しました。ドライブ1台毎に必要です。
具体的には、DriveSelect0-3/MotorOn/ModeSelect(以上FDCより)とDiskChange(FDDより
を使います。ModeSelectはHD/DDでも300/360でもOKです。論理の変化しかチェックして
いないので、どちらの論理にも対応できます。
現状ではディスクが入っているときにドライブが選択され回転時にReadyになるようにして
います。モード変更時には一定時間Not Readyになります。本当ならシークしたときにも
規定時間Not Readyにするのが正しい気もしますが。
この他にステップ回数を2倍にする回路も考案しました。2D専用機(F系・mkII・SR・
PC-80S31など)で2DD/2HD FDDが元の2Dと互換性を保ったまま使えるようになると
思います。

ところで、ここからもリンクがある『3.5インチ化計画』
www.geocities.co.jp/SiliconValley/7111/
にあるVA2にFD1135Dを接続するページにおいて、回転数が360rpmの1速との事ですが、
実際にはそのページどおり1速でしょうか?それとも300/360の2速でしょうか?
ウチのMRとMHでは300/360の2速のようです(赤と緑で回転音が変わる)。
シンクロパターンを貼り付けたところ、赤と緑で別のパターンに同期しました。

もし1速だとすると考えられる事としては、VA2は専用設計であるという点です。
MR/MHの頃はF系(FR/FH)と共通設計でFDD周りはROM/RAMだけ変えてありそうな気が
します。ここで1速にすると今度はクロックに8MHzと4.8MHzの2種類が必要になります
(後述)し、360rpmの2D FDDはないので別設計にする必要があります。

M系とF系が分化したMA2/FE以降はまた違いそうな気もします。VAはこの頃だったような?


補足
2D/2DD(/1D/1DD)の場合、2HDとは違い300rpmと360rpmでは記録密度が変わるのでは
なく、転送レートも変えています。360rpmの場合FDCクロックは4.8MHzで、転送レートは
300kbpsになります。300rpmではクロック4MHz、レート250kbpsです。
3.5インチ2HDでは360rpmでも300rpmでもクロック8MHz、レート500kbpsなので、
300rpmの方が多く詰め込めます。1.44MBはこのように実現されています。

さらに蛇足
PC/AT互換機の場合は5インチ2Dは当然300rpmですが、5インチ2HDは360rpmの1速です。
3.5インチは2DD・2モードともに300rpmで、3モードは2HD 1.2Mだけ360rpmになり、
この辺もPC-98のFDD(3.5インチは5インチ完全互換、2モード・3モードとも2DDは
360rpm)と互換性がない点の一つです。DiskChangeだけではないんですね

また蛇足
PC-98の2DD専用はI/F(PC-9801-09)・5インチ(F/VF)・3.5インチ(U)とも300rpmです
(640KB FDD I/Fは4MHz)。これも2DD FDDに360rpm仕様がない事によります。FDDに
VFOは不要です。


愚痴
3.5インチ2D/1Dというものもあります。それ自体の存在意義は認めますが、トラック幅は
元のままでも良かった気がします。トラックピッチを半分にする際にどうしてトラック幅を
広くして2DDとの互換性を低くしたかが不思議です。35シリンダでスタートした5インチと
違い元々70シリンダ仕様でスタートした3.5インチは、規格化の際に80シリンダになったと
いう経緯を考えると、40シリンダの2Dの方が後発ではないか?と。
5インチ2DD用ヘッド使用?とも考えましたが、記録の際により強い磁力が必要なので、
5インチ2DD用では使えないような気もしますし。まさか5インチ2HD用?2Dはわかります
が1Dは??

さらに愚痴
3.5インチに限らず、8インチもFDDからハード的に片面・両面の区別が付く(インデッ
クスホールの位置で区別する)ように、5インチも2HDと他がハード的に区別が付く
ような仕様にすべきだったのでしょう。


追伸
件の『3.5インチ化計画』のやだもんさんと連絡が取れませんが、どなたか現在の連絡
先をご存じありませんか?



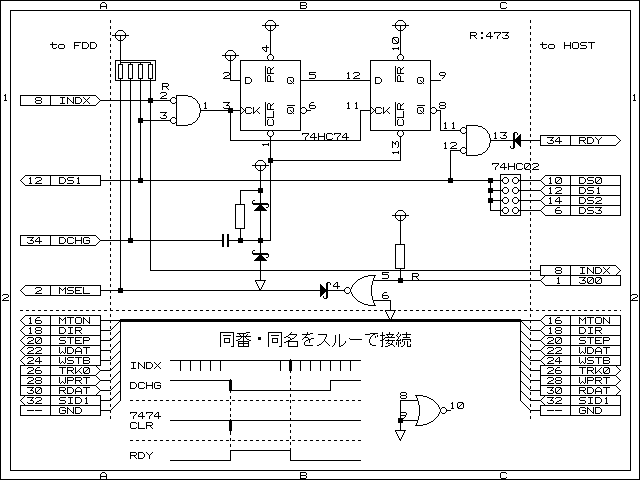
DC-RY.png
 説明:
Ready信号をFDC/FDD双方の信号から生成する回路。ドライブ1台毎に必要
 ファイルサイズ:  3.7 KB
 閲覧済み:  761665 回

DC-RY.png


トップに戻る
ユーザーのプロフィールを表示 プライベートメッセージを送信
かかっくん



登録日: 2012.12.28
記事: 3

記事日時: 2012/12/29 (Sat) 00:14     記事の件名: インチキReadyについて 引用付きで返信

STMさんのインチキReadyですが、あまり問題にならないような気もします。
Y-E DATAのYD-702D-6639D(Ready/DiskChange両用)の製品仕様書によると

---
3.1.1.8 MODE SELECT(モード・セレクト)
記録容量のモード選択は、この信号とディスクのHD識別孔の有無を検出することで行い
ます。モードが選択されると、モータの回転速度及びリード/ライト回路が切り換わります。
2DDディスクを挿入しているときには、モード・セレクト信号に関係なく1.0MBモードになり
ます。2HDディスクを挿入しているときには、下記のモード・セレクト信号によって2.0/1.6MB
の切り換えを行います。
2.0MB:HDディスクを使用し、MODE SELECT信号が"HIGH"
1.6MB:HDディスクを使用し、MODE SELECT信号が"LOW"

3.1.2.4 READY(レディー)
この信号はディスクが挿入されMOTOR ON(モータ・オン)信号が"LOW"となってから最大
500ms後に"LOW"レベルとなります。
また、MODE SELECT信号によって、回転数が切り換わった場合にも、モードが切り換わっ
てから最大500ms間"HIGH"レベル(ノットレディー)となります。

3.1.2.6 DISK CHANGE(ディスク・チェンジ)
この信号はディスクが抜かれたことを示します。電源投入後またはディスクが抜かれたとき
に"LOW"レベルになり、下記のリセット条件をすべて満足するまで保持します。
 リセット条件が満たされると"HIGH"レベルになります。
 1.ディスクが挿入されている。
 2.ドライブが選択されて、ステップパルスを受け付けたとき。
---

とあります。どうやらシーク時のネゲート(偽)は不要のようです。
単純にDiskChangeを反転するだけでもそれなりに動きそうな気もしますね。
リファレンスでは7438になっていますが、オープンコレクタインバータの74LS06あたりで
良さそうです。

また、TEAC FD-235HFのマニュアルによると、モデルによってはREADY出力にできるもの、
HD/DD入力にできるものもあるようです(1.2Mが使えるFD-235GFやFD-235HGにもあるよう
です)。2D/2DDを360rpmにできるものはないようです。
トップに戻る
ユーザーのプロフィールを表示 プライベートメッセージを送信
かかっくん



登録日: 2012.12.28
記事: 3

記事日時: 2014/04/21 (Mon) 02:27     記事の件名: やっぱり反転だけではダメ 引用付きで返信

> 2.ドライブが選択されて、ステップパルスを受け付けたとき。

コレがネックになって、やっぱりただ反転するだけではダメでした。
ソフトによってはトラック0の内容で交換をチェックするものがありシークしないものもあるためです。
で、再考しました。回転を検知すればよいという事で、ReadyアサートにIndexを2パルス使います。ディスクを
入れないとMotorOnしても回らないからです。
5インチの場合はフタを閉じなくても回りますがIndexは出ませんから問題ないでしょう。

/* 5インチFDDはどこで検知するか規定がないので、3.5インチのような透明ディスクは作れなかったんですね。
まぁ3.5インチは光学検知ではなく物理式が主流になった事もありますが */



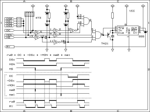
dc-ry2.png
 説明:
Ready信号をDiskChangeとIndexから生成する回路。ドライブ1台毎に必要
 ファイルサイズ:  5.01 KB
 閲覧済み:  754989 回

dc-ry2.png


トップに戻る
ユーザーのプロフィールを表示 プライベートメッセージを送信
小緒吏
未登録ユーザー





記事日時: 2015/12/22 (Tue) 20:03     記事の件名: 検索してこの記事に当たりました 引用付きで返信

はじめまして、ready信号をどうしようか考えて調べていたところこちらにたどり着きました。
最後まで、流れを読ませて頂いたのですが、この内容からready信号を得るには
indexをシュミットトリガ(LS14)で読み取り正論理に反転→4ビットシフトレジスタ(LS195)のPEに接続→CPに5マイクロ秒くらいの信号とindexのorを入れる→Kに0、D全部を1に固定
みたいに接続するとQ3からは

indexが来る→シフトレジスタが1111になる→パルスが来る0001みたいに1が減っていく
indexが来る→1111に戻る indexが来ない0000になっちゃう
といった回路が作れたりはしないでしょうか。

シークする時にready信号消したらFDC嫌がりますかね…?
トップに戻る
小緒吏
未登録ユーザー





記事日時: 2015/12/22 (Tue) 22:21     記事の件名: 引用付きで返信

改めてYD-702Dのデータシート見たらなんか微妙なロジック組んでました。

CD4521のような分周回路と、D-FFと、水晶発信器(4.194304M)ですね。

分周回路の0.5秒になるピンとD-FFのCLKを繋ぐ。Dは常に1を入れておく。
するとFFは時間(0.5秒)が来るとCLKが立ち上がり常にHになる回路になる。
INDEXは各ICのCLRに接続。INDEXパルスが来ると分周はやり直し、D-FFは0になる。
よってINDEXが送出されている限り0、INDEXの送出が止まると0.5秒で1になる。
ステップレートは一例では3msなので、モーターON時の500msに比べるとかなり短い時間でした。
トップに戻る
特定期間内の記事を表示:   
新しいトピックを投稿   トピックに返信    PC88.gr.jp Forum Index -> 88総合 All times are GMT + 9 Hours
Page 1 of 1

 
移動先:  
新規投稿:
返信投稿:
記事編集: 不可
記事削除: 不可
投票参加: 不可
ファイル添付不可
ダウンロード:


Powered by phpBB © 2001, 2005 phpBB Group
Traduction par : PHPBB JAPAN / EUC-JP Edition : phpBB2 JP Support Forum